盈连科技作为机器人柔性力控打磨工艺解决方案的领先提供商,一直致力于通过技术创新推动行业发展。此次推出的YLR系列力控打磨机器人,是盈连科技多年研发成果的集大成者,也是其在全球打磨机器人领域的一次重大突破。

▍核心优势与卖点
YLR系列力控打磨机器人具备多项卓越性能。采用高刚性机器人架构,确保在高强度打磨任务中的稳定性,有效避免设备变形或振动引起的误差,从而提高作业精度与可靠性。其自主研发的力位补偿器最大接触力可达1200N,结合动态力控技术,实现±1N的力控精度,确保打磨力恒定,避免过磨或漏磨。
除了卓越的性能表现,YLR系列还注重用户体验和操作便捷性。它采用了人性化的设计,操作简单易懂,即使是没有专业技术背景的操作人员也能快速上手。同时,机器人还支持远程监控和智能化管理,让用户可以随时随地了解设备运行状态,提高生产效率和管理水平。
一、卓越性能,打造高精度打磨典范
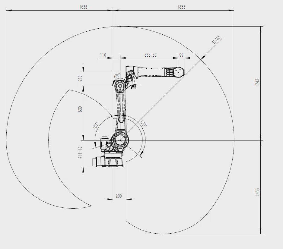
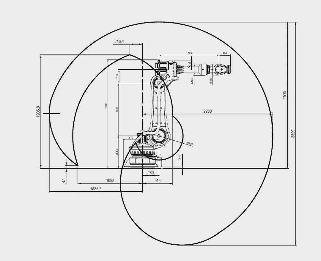
1.高刚性结构设计与灵活机械臂
YLR系列采用高性能通用型六轴机器人,高刚性结构设计确保在高强度打磨任务中稳定不变形,有效杜绝因设备振动引起的误差。机械臂臂长1853mm(2230mm),活动范围广,灵活度高,可轻松完成深孔、凹槽及不规则曲面的精准打磨任务。机器人腕部防护等级达IP67(35kg机器人)或IP65(120kg机器人),本体防护等级IP54,适应恶劣工作环境。


2.超高精度与动态力控系统
该机器人具备超高重复定位精度,确保每次打磨都能精准落在预设位置,误差极小;结合动态力控技术,实时感知打磨过程中的力反馈,自动调整打磨力度和路径,确保每次打磨的精度与一致性。无论是平面还是曲面,都能实现镜面级的打磨效果,极大提升产品质量的稳定性。

3.功能全面的总控制柜与示教器
总控制柜集成运动控制、工艺参数设置、耗材预警等功能,通过直观的人机界面实现精细化管理。示教器配备高分辨率触控屏幕,支持在线编程、数据存储与备份,操作简便,适应复杂作业环境。
4.智能工艺库与耗材寿命监测系统
搭载智能工艺库,可根据不同工件材质和打磨要求进行优化选择。配合耗材寿命监测系统,实时跟踪砂纸、砂带等耗材使用情况,提前预警更换,降低生产成本,实现数据驱动型生产管理。

二、灵活适配,满足多样化打磨需求
1.YLR系列具备即插即用功能,无需复杂安装调试,快速集成到现有生产线中。通过简单的点位设置,可适应各种复杂打磨场景,实现大型工件的整体打磨或小型精密零件的局部打磨。
2.全场景覆盖与零门槛应用
该机器人适用于汽车、航空航天、3C电子、家具、五金等多个行业,开放通信协议和标准化接口设计使其与各种品牌工业机器人无缝对接,轻松实现多机协作和产线联动。



三、安全防护,保障人员与设备安全
在安全生产至关重要的工业环境中,盈连科技打磨机器人构建了完善的多维安全防护体系。同时,配备了安全急停按钮和报警装置,一旦发生紧急情况,可立即停止机器人运行并发出警报。此外,在软件层面,设置了多层安全逻辑判断,确保机器人在运行过程中始终处于安全状态,全方位保障人员以及设备的安全,让企业无后顾之忧。
四、自由选配,灵活模块化设计
1.安全防护栏与防护罩
提供安全围栏或全金属外壳等防护方式,有效防止人员误触,保障设备稳定运行。
2.耗材库与上下料盘
根据需求配置刀库、砂纸、砂带等耗材,并支持耗材使用情况跟踪。料盘可一次性装载多个工件,实现无缝连续操作。
3.变位机与扩展模块
快速传输和定位工件,提升生产线效率。支持数字量扩展模块或模拟量扩展模块,这些扩展模块具备高精度、多通道的特性,可根据实际生产需求灵活配置,为企业打造高度定制化的打磨解决方案,满足复杂生产需求。


▍结语与未来
盈连科技力控打磨机器人以其精准、高效、智能的特点和广泛的应用场景,为生产制造行业带来了一场技术革新。YLR系列展现了强大的适应性和卓越的性能优势,不仅解决了传统打磨方式的诸多痛点问题,更推动了整个行业向智能化、自动化方向发展。它不仅提高了产品质量和生产效率,还降低了生产成本和劳动强度,为企业带来了显著的经济效益和社会效益。
来源:机器人大讲堂